Oggi vi abbiamo presentato un brevetto della Apple molto interessante, ma non è finita qui perchè ne abbiamo subito un altro in serbo per voi. Questo nuovo progetto ha sempre come protagonista il Display dei prossimi device che la casa produrrà, ma vediamo nel dettaglio di che si tratta.
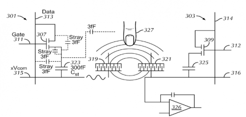
Questo nuovo brevetto che vi presentiamo è intitolato “Ambient Light Interference Reduction for Optical Input Devices”, descrive come una quantità di luce possa influire su un sensore ottico TouchScreen o su un display LCD. Questi fotosensori sono differenti da quelli utilizzati in genere per riconoscere una superficie di contatto.
Il problema di questo fotosensori è che si basano sull’ombra che “cade” su di essi, così potrebbero essere attivati con un falso allarme anche quando non è richiesto il loro funzionamento. Questo vuol dire che la luce “naturale” rende tale tecnologia inaffidabile.
Ecco una parte del progetto:
“I fotosensori non sono facilmente in grado di distinguere se la luce è stata diminuita dall’utente che utilizza il device o tra la luce diurna e notturna” e ancora: ” Quando il dito dell’utente è prossimo ad una determinata regione di pannello del touchscreen, i segnali elettromagnetici inviano un segnale che colpisce il dito dell’utente e torna indietro verso il display” segue che: “Così, quando i segnali riflessi vengono rilevati in una determinata regione, si segnala che il dito dell’utente è presente in quella porzione del display. A questo punto l’input del dispositivo ottico può essere correttamente rilevato , nonostante le variazione della luce naturale”.
Il brevetto è stato depositato in data 2 Luglio 2008 ed è accreditato a Steve Porter Hotelling e Stephen Brian Lynch.
via | AppleInsider
⏰ Le offerte di oggi non sono ancora disponibili.
Di seguito ti proponiamo le migliori offerte pubblicate ieri (ed ancora valide):
- Filtra:
- Tutte
- Apple
- Minimo Storico
- Alimentari e cura della casa
- Amazon
- Auto e moto
- Bellezza
- Cancelleria e prodotti per ufficio
- Casa e cucina
- Elettronica
- Fai da te
- Giardino e giardinaggio
- Giochi e giocattoli
- Grandi elettrodomestici
- Illuminazione
- Informatica
- Moda
- Prima infanzia
- Prodotti per animali domestici
- Salute e cura della persona
- Sport e tempo libero
- Strumenti musicali
- Videogiochi


























































































































































































































































































































































Leggi o Aggiungi Commenti